RCT系列永磁全磁滚筒
公司产品
临朐三星电子有限公司
联系人:孙经理
手 机:13905362323
座 机:0536-3621111
地 址:山东省潍坊市临朐县城关街道岩头工业园
联系人:孙经理
手 机:13905362323
座 机:0536-3621111
地 址:山东省潍坊市临朐县城关街道岩头工业园
RCT系列永磁全磁滚筒

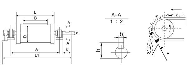
一、概述:
启航彩 RCT系列永磁全磁滚筒也称为磁滑轮或者干式大快磁选机。它的内部采用性能较高的强磁材料组成复合磁系,具有磁场强度高、深度大、结构简单、使用方便、不需要、维修、不消耗电力,常年使用不退磁等特点。

二、应用范围:
RCT系列永磁全磁滚筒可用于水泥、磁选、矿山、钢铁、化工、耐火材料、垃圾处理等行业的选铁。与DT-75型、AD-80型通用固定式皮带输送机配套使用代替主动轮,也能与专用皮带输送机配套。

三、技术参数:

上一条: RCYA系列管道永磁除铁器
下一条: RCTB系列半磁磁选滚筒










